English
Español
Português
русский
Français
日本語
Deutsch
tiếng Việt
Italiano
Nederlands
ภาษาไทย
Polski
한국어
Svenska
magyar
Malay
বাংলা ভাষার
Dansk
Suomi
हिन्दी
Pilipino
Türkçe
Gaeilge
العربية
Indonesia
Norsk
تمل
český
ελληνικά
український
Javanese
فارسی
தமிழ்
తెలుగు
नेपाली
Burmese
български
ລາວ
Latine
Қазақша
Euskal
Azərbaycan
Slovenský jazyk
Македонски
Lietuvos
Eesti Keel
Română
Slovenski
मराठी
Srpski језик 2025-04-03
Pengobatan air limbah sianida selalu menjadi masalah yang sulit dalam industri kimia. Jadi apa yang utamaPeralatan sianidbiasa digunakan untuk pengolahan air limbah sianida?
Peralatan oksidasi natrium hipoklorit: Mengoksidasi sianida menjadi zat yang tidak beracun melalui sifat pengoksidasi yang kuat dari natrium hipoklorit. Biasanya dilengkapi dengan generator natrium hipoklorit, larutan natrium hipoklorit dapat disiapkan di lokasi. Perangkat ini umumnya mencakup unit pembuatan klorin, unit disolusi dan unit pengukuran. Dalam proses reaksi klorin dengan natrium hidroksida untuk menghasilkan natrium hipoklorit, kondisi reaksi, seperti laju aliran klorin, konsentrasi natrium hidroksida, dll., Perlu dikendalikan secara ketat untuk memastikan kualitas natrium hipoklorit dan akurasi dosis. Peralatan ini relatif mudah dioperasikan, tetapi membutuhkan keterampilan tinggi untuk operator, dan kondisi reaksi perlu dikontrol secara ketat untuk menghindari hipoklorit natrium yang berlebihan atau tidak mencukupi, yang menghasilkan efek pengobatan yang buruk dari peralatan sianid.
Peralatan oksidasi klorin dioksida: klorin dioksida memiliki sifat pengoksidasi yang lebih kuat dan dapat mengoksidasi sianida secara lebih efektif. Peralatannya termasuk generator klorin dioksida, dan yang umum adalah generator kimia dan generator elektrolitik. Generator metode kimia menghasilkan klorin dioksida dengan bereaksi asam klorida dengan natrium klorat atau natrium klorit, dan perlu mengontrol rasio material reaksi dan suhu reaksi dan kondisi lainnya; Generator metode elektrolitik menggunakan elektrolisis larutan garam untuk menghasilkan klorin dioksida. Struktur peralatan relatif kompleks dan membutuhkan catu daya yang stabil dan sistem elektrolisis. Peralatan metode oksidasi klorin dioksida memiliki efisiensi perawatan yang tinggi, tetapi biaya dan biaya operasiperalatan sianidrelatif tinggi.
Peralatan Metode Tembaga Klorida Alkali: Tembaga klorida bereaksi dengan sianida dalam kondisi alkali untuk mengubah sianida menjadi zat beracun rendah atau tidak beracun. Peralatan ini terutama mencakup perangkat persiapan larutan tembaga klorida dan tangki reaksi. Larutan tembaga klorida perlu disiapkan sesuai dengan konsentrasi sianida air limbah. Dalam tangki reaksi, air limbah dan larutan tembaga klorida sepenuhnya dicampur dan direaksikan dengan pengadukan. Metode ini memiliki efek pengobatan yang baik, tetapi lumpur tembaga yang dihasilkan perlu diobati selanjutnya, jika tidak dapat menyebabkan polusi sekunder.
Peralatan metode adsorpsi karbon aktif: Karbon aktif memiliki luas permukaan spesifik yang besar dan struktur pori yang kaya, yang dapat menyerap sianida di air limbah. Peralatan yang umum digunakan termasuk menara adsorpsi karbon aktif. Ketika air limbah melewati lapisan karbon aktif di menara adsorpsi, sianida diserap pada permukaan karbon aktif. Menara adsorpsi harus dicuci kembali dan diregenerasi secara teratur untuk mengembalikan kinerja adsorpsi karbon aktif. Metode adsorpsi karbon aktif memiliki peralatan sederhana dan operasi yang nyaman, tetapi biaya regenerasi dan penggantian karbon aktif tinggi, dan kapasitas adsorpsi terbatas, sehingga karbon aktif perlu diganti secara teratur.
Peralatan Resin Pertukaran Anion Alkali yang Kuat: Memanfaatkan adsorpsi sianida selektif oleh resin pertukaran anion alkali yang kuat untuk menghilangkan sianida dari air limbah. Peralatan terutama mencakup kolom pertukaran ion dan perangkat regenerasi. Resin pertukaran anion alkali yang kuat diisi di kolom pertukaran ion. Ketika air limbah melewati kolom Exchange, sianida diadsorpsi oleh resin, dan air keluar memenuhi standar pembuangan. Ketika resin jenuh dengan adsorpsi, perlu diregenerasi dengan agen regenerasi untuk mengembalikan kapasitas adsorpsi resin. Metode pertukaran ion memiliki efek perawatan yang baik dan dapat menghilangkan sianida, tetapi proses regenerasi resin relatif rumit, membutuhkan sejumlah besar agen regenerasi, dan masa pakai resin terbatas, sehingga perlu diganti secara teratur.
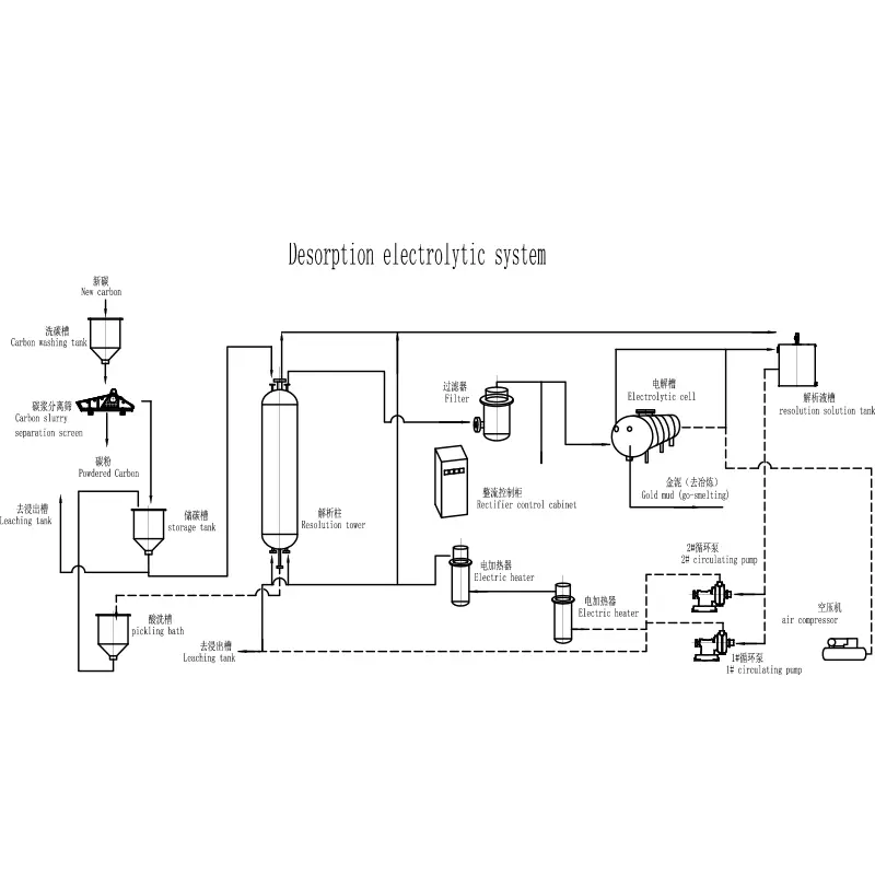
Selain itu, ada peralatan perawatan elektrolisis. BerbedaPeralatan sianidmemiliki kelebihan dan kekurangannya sendiri. Dalam aplikasi praktis, perlu untuk secara komprehensif mempertimbangkan faktor -faktor seperti sifat air limbah, persyaratan pengolahan, dan biaya, dan memilih peralatan perawatan yang sesuai atau menggabungkan beberapa peralatan untuk mencapai efek perawatan terbaik.