Bagaimana Peralatan Cyaniding Meningkatkan Pemulihan Emas dan Keamanan Lokasi?

2026-01-08 - Tinggalkan aku pesan

Jika Anda pernah merasa bahwa sianidasi itu “efektif, namun membuat stres”, Anda tidak sedang membayangkannya. Bahan kimianya berhasil—namun kenyataan sehari-hari bisa jadi berantakan: bijih yang berubah-ubah, pengeluaran reagen yang berlebihan, kehilangan karbon, waktu henti yang tidak terduga, dan tekanan terus-menerus untuk beroperasi dengan aman dan konsisten. Artikel ini menguraikan apaPeralatan Sianidasebenarnya harus dilakukan untuk Anda, apa yang harus ditanyakan sebelum membeli, dan bagaimana menghindari kesalahan yang paling mahal.


Abstrak

ModernPeralatan Sianidabukan hanya sekumpulan tangki—ini adalah sistem terhubung yang dirancang untuk mengontrol kondisi pencucian, menstabilkan pemulihan, mengurangi limbah reagen, dan menjaga penanganan sianida tetap dapat diprediksi. Pembeli biasanya menghadapi empat masalah: pemulihan yang tidak konsisten, biaya pengoperasian yang tinggi, kontrol keselamatan yang lemah, dan kesulitan dalam pemeliharaan. Di bawah ini, Anda akan mendapatkan tampilan modul sianida yang praktis di lantai pabrik (pelindian, adsorpsi, desorpsi/penyalinan listrik, detoksifikasi, dan instrumentasi), matriks seleksi, tips commissioning, dan bagian FAQ yang dapat Anda gunakan selama percakapan dengan pemasok.


Daftar isi


Sekilas Garis Besar

  • Terjemahkan “Saya memerlukan sianidasi” ke dalam cakupan peralatan yang lengkap dan dapat dikontrol.
  • Identifikasi modul mana yang menyebabkan kerugian Anda (pemulihan, reagen, karbon, atau waktu henti).
  • Gunakan matriks sederhana untuk membandingkan solusi untuk jenis bijih dan kendala Anda.
  • Hadiri pertemuan pemasok dengan daftar periksa yang memperlihatkan desain yang lemah dengan cepat.

Poin Rasa Sakit Pembeli Sebenarnya

Saat orang berbelanjaPeralatan Sianida, mereka sering berkata “Saya membutuhkan pemulihan yang lebih tinggi.” Yang biasanya mereka maksudkan adalah: “Saya memerlukan pemulihan yang tetap tinggi meskipun bijihnya berubah, operatornya bergilir, dan lokasinya jauh.” Berikut adalah poin-poin menyakitkan yang muncul berulang kali:

  • Perubahan pemulihandisebabkan oleh variabilitas bijih, masalah penggilingan, keterbatasan oksigen, atau kontrol pH yang buruk.
  • Kenaikan biaya reagendari overdosis sianida atau jeruk nipis “hanya untuk amannya.”
  • Masalah karbonseperti pengotoran, kehilangan gesekan, atau kinetika adsorpsi yang buruk.
  • Waktu hentidari kegagalan pompa/katup, keausan bubur abrasif, atau tata letak yang sulit diakses.
  • Stres keamananseputar penyimpanan sianida, pemberian dosis, dan kesiapan tanggap darurat.

Desain peralatan yang baik tidak menghilangkan semua kerumitan, namun harus menghilangkan dugaan-dugaan.


Apa saja yang termasuk dalam “Peralatan Sianiding”.

Cyaniding Equipment

Minimal,Peralatan Sianidaharus dipahami sebagai suatu sistem yang mendukung fungsi-fungsi ini:

  • Pencucian: menyediakan waktu, pencampuran, dan kontrol kimia untuk pembubaran.
  • Penangkapan emas: adsorpsi pada karbon aktif (CIP/CIL) atau jalur presipitasi.
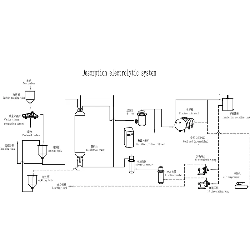
  • Pemulihan emas: desorpsi dan elektrowining (atau sirkuit pemulihan alternatif).
  • Penanganan detoks dan tailing: mengurangi sisa sianida ke tingkat yang dapat diterima.
  • Instrumentasi dan kontrol: mengukur dan menstabilkan pH, oksigen terlarut, aliran, dan takaran.

Jika pemasok hanya berbicara tentang “tangki”, dorong mereka untuk menjelaskan keseluruhan aliran dan titik kontrol. Sianidasi dapat ditoleransi dalam kondisi laboratorium; itu tidak memaafkan dalam kondisi lapangan yang kacau.


Peta Proses yang Jelas dari Bijih hingga Doré

Meskipun setiap tanaman berbeda-beda, sebagian besar jalur sianidasi mengikuti tulang punggung yang dapat dikenali. Gunakan peta ini untuk memeriksa kewarasan apakah paket yang diusulkan sudah lengkap:

Panggung Apa yang Harus Dicapai Risiko “Tersembunyi” yang Khas
Pra-perawatan (sesuai kebutuhan) Menjadikan emas mudah diakses dan mencegah lonjakan konsumsi sianida Mengabaikan preg-robbing, tembaga tinggi, atau sulfida reaktif
Pencucian Pencampuran stabil, pH terkontrol, dan oksigen cukup Zona mati, transfer oksigen yang buruk, pH tidak menentu karena sistem kapur yang lemah
Adsorpsi (CIL/CIP) Tangkap emas terlarut secara efisien Ukuran/metode perpindahan karbon salah; kehilangan karbon
Elusi / Desorpsi Lepaskan emas dari karbon dengan andal Pemanasan/aliran yang tidak konsisten menyebabkan efisiensi pengupasan yang rendah
Elektrowining / Peleburan Pulihkan dan hasilkan doré Sel berukuran kecil, manajemen elektrolit yang buruk, masalah penanganan lumpur
Detoksifikasi Mengurangi sisa sianida sebelum dibuang/tailing Desain tidak sesuai dengan variabilitas keluaran atau kimia tailing

Modul Utama dan Apa yang Harus Diperiksa

1) Tangki pelindian dan agitasi

  • Apakah desain pencampuran sesuai dengan kepadatan dan sifat abrasif bubur Anda?
  • Bisakah sistem mempertahankan pH stabil dalam variabilitas bijih?
  • Apakah penambahan oksigen praktis di lokasi Anda (dan apakah transfer oksigen dipertimbangkan dalam desain)?
  • Apakah tata letaknya memudahkan pemeriksaan impeller, liner, dan bearing?

2) Adsorpsi dan transfer karbon

  • Apakah sekat antartahap cukup kuat untuk mencegah sisa karbon?
  • Apakah transfer karbon dirancang untuk mengurangi kerusakan dan kehilangan?
  • Apakah desainnya ramah terhadap pembersihan dan pengendalian inventaris karbon?

3) Desorpsi dan elektrowinning

  • Apakah rangkaian elusi sesuai dengan ekspektasi pemuatan karbon Anda?
  • Apakah kontrol pemanasan dan aliran stabil (tidak “bergantung pada operator”)?
  • Apakah penanganan lumpur direncanakan, bukan diimprovisasi?

4) Dosis dan pengukuran sianida

  • Apakah pemberian dosis dilakukan secara otomatis dengan interlock, atau murni manual?
  • Apa rencana kalibrasi dan pemeliharaan sensor di lingkungan tambang sebenarnya?
  • Apakah titik pengambilan sampel aman dan berada pada posisi yang baik, atau hanya sekedar pertimbangan saja?

5) Detoksifikasi

  • Apakah desain detoks didasarkan pada target pembuangan dan kandungan kimia tailing Anda?
  • Bisakah perusahaan mengatasi lonjakan jangka pendek tanpa memaksa penutupan?

Petunjuk praktis:Proposal yang terlihat lebih murah di atas kertas sering kali menambah biaya operasional—tambahan sianida, tambahan kapur, tambahan tenaga pemeliharaan, dan perilaku operator yang lebih “heroik”. Tagihannya tiba nanti.


Dasar-dasar Ukuran dan Spesifikasi

Anda tidak perlu menjadi ahli metalurgi untuk mengajukan pertanyaan mengenai ukuran yang melindungi anggaran Anda. UntukPeralatan Sianida, logika ukuran inti berkisar pada throughput, waktu tinggal, dan perpindahan massa. Sebelum menerima desain akhir apa pun, pastikan masukan berikut dinyatakan secara eksplisit:

  • Throughput desain(rata-rata dan puncak, ditambah variabilitas musiman yang diharapkan).
  • Targetkan ukuran penggilingandan apa yang terjadi jika gilingan menjadi lebih kasar.
  • Waktu tinggal pelindiandan apakah itu didasarkan pada pengujian atau asumsi.
  • rencana pH dan alkalinitas(termasuk persiapan kapur dan stabilitas dosis).
  • Strategi oksigen(udara, oksigen, atau tidak sama sekali) dan dampak yang diharapkan terhadap kinetika.
  • Inventarisasi karbon(berapa banyak karbon, lokasinya, dan cara pemantauannya).

Jika pemasok tidak dapat menjelaskan hal ini dengan bahasa yang sederhana, perlakukan hal tersebut sebagai sinyal risiko—bukan masalah teknis.


Keamanan dan Pengendalian Sianida yang Benar-Benar Tertahankan

Keselamatan bukanlah sebuah poster di dinding. Dengan sianidasi, hal ini menjadi bagian dari desain fisik dan pengendalian rutin. KuatPeralatan Sianidapaket biasanya meliputi:

  • Penyimpanan dan transfer yang terkandungdengan jalur tumpahan yang jelas dan logika bunding.
  • Dosis yang saling bertautanjadi sianida tidak dapat ditambahkan jika kondisi utama tidak terpenuhi.
  • Desain pengambilan sampel yang jelasyang mengurangi risiko paparan selama pemeriksaan rutin.
  • Kesiapan daruratsebagai bagian dari rangkaian prosedur operasi, bukan dokumen tambahan.

Dari sudut pandang pembeli, tugas Anda sederhana: memaksakan proposal untuk menunjukkan dengan tepat bagaimana orang berinteraksi dengan sistem. Dimana mereka berdiri? Apa yang mereka sentuh? Bagaimana cara mereka mengisolasi peralatan? Bagaimana tanggapan mereka terhadap kegagalan segel pompa pada jam 2 pagi?


Dari Mana Biaya Operasional Sebenarnya Berasal

Jika biaya per onsnya meningkat, biasanya hal tersebut bukanlah kegagalan yang dramatis—kebocoran kecil dalam sistem lah yang menyebabkannya. Dalam sianidasi, pemicu biaya yang paling umum adalah:

  • Konsumsi sianidadidorong oleh mineral reaktif, kebiasaan overdosis, atau putaran kontrol yang buruk.
  • Konsumsi jeruk nipisketika kontrol pH tidak stabil atau kimia bubur tidak dipahami dengan baik.
  • Kehilangan karbonmelalui gesekan, masalah layar, atau desain transfer yang buruk.
  • Kekuasaan dan pemeliharaandari agitasi yang berlebihan, suku cadang yang tidak dirancang dengan baik, dan tata letak yang sulit diservis.
Gejala Kemungkinan Akar Penyebabnya Fitur Peralatan Yang Membantu
Pemulihan menurun ketika bijih berubah ketidakstabilan pH/DO; pencampuran yang buruk; waktu tinggal yang tidak mencukupi Agitasi yang kuat, instrumentasi kontrol yang lebih baik, kapasitas tangki yang fleksibel
Pengeluaran sianida terus meningkat overdosis; mineral yang banyak mengonsumsi sianida; pengukuran yang buruk Dosis terkontrol, titik pengambilan sampel yang andal, interlock yang lebih cerdas
Persediaan karbon “secara misterius” menyusut Kegagalan layar; kerugian transfer; erosi Layar antar panggung yang tahan lama, desain transfer yang lembut, penghitungan karbon yang jelas
Shutdown yang sering terjadi Keausan suku cadang, penyegelan pompa, masalah akses Bahan tahan aus, akses perawatan, suku cadang terstandarisasi

Desain Keandalan dan Pemeliharaan

Cyaniding Equipment

Sirkuit sianidasi dapat terlihat “lengkap” dan tetap tidak dapat diandalkan jika pemeliharaan tidak direncanakan. Tanyakan bagaimana pendekatan pemasok:

  • Pemilihan bahanuntuk zona bubur abrasif dan zona kontak sianida.
  • Mengakseske layar, impeler, liner, pompa, dan instrumentasi.
  • Strategi suku cadangyang sesuai dengan realitas situs Anda (waktu tunggu, logistik, stok).
  • Standardisasiuntuk mengurangi jumlah item pakaian unik.

Dalam pengoperasian jarak jauh, “kemudahan pemeliharaan” dapat bernilai lebih dari “sedikit lebih efisien di atas kertas.”


Pertanyaan Pemasok yang Harus Anda Tanyakan

Gunakan daftar periksa ini dalam rapat. Hal ini dirancang untuk memunculkan proposal yang lemah dengan cepat—tanpa mengubah pembicaraan menjadi perdebatan.

  • Risiko bijih manakah yang dihilangkan, dan risiko mana yang direkayasa secara aktif?
  • Apa masukan desain untuk waktu tinggal, rentang pH, dan strategi oksigen?
  • Bagaimana dosis sianida dikontrol, dan apa yang terjadi jika sensor rusak?
  • Bagaimana hilangnya karbon dicegah dan diukur dalam operasi rutin?
  • Bagaimana rencana akses pemeliharaan untuk saringan, agitator, dan pompa?
  • Apa saja pemeriksaan operator yang direkomendasikan per shift, dan bagaimana cara mengamankannya?
  • Dukungan komisioning apa saja yang disertakan, dan pelatihan operator apa yang diberikan?

Jika Anda mengevaluasi vendor, ada baiknya jika Anda berbicara dengan produsen yang dapat menyediakan paket sianidasi lengkap dan mendukung detail integrasi. Misalnya, Qingdao EPIC Mining Machinery Co, Ltd.menyediakan solusi peralatan pemrosesan pertambangan di mana paket sianidasi dianggap sebagai sistem—pelindian, adsorpsi, pemulihan, dan pengendalian—dan bukan serangkaian tangki yang tidak terhubung.


Pertanyaan Umum

Apa yang membuat Peralatan Sianiding “modern” dan bukan yang sederhana?

Desain modern berfokus pada kemampuan pengendalian dan pengulangan: takaran yang stabil, pengukuran yang andal, pengambilan sampel yang lebih aman, perlindungan keausan yang kuat, dan tata letak yang mengurangi improvisasi operator. Sasarannya adalah pemulihan yang konsisten dengan lebih sedikit limbah reagen dan lebih sedikit penghentian.

Dapatkah Peralatan Cyaniding menangani bijih kadar rendah secara ekonomis?

Bisa, tetapi hanya jika sirkuit dirancang berdasarkan kinetika dan profil konsumsi Anda. Operasi tingkat rendah cenderung sensitif terhadap pengeluaran reagen yang berlebihan dan waktu henti, sehingga sistem kontrol, desain keausan, dan pengelolaan karbon menjadi sangat penting.

Bagaimana saya tahu apakah saya memerlukan CIP atau CIL?

Pilihannya biasanya bergantung pada kinetika pelindian dan seberapa cepat emas terlarut dapat ditangkap. Jika emas cepat larut dan Anda ingin segera ditangkap, CIL bisa menjadi pilihan yang menarik. Jika pelindian mendapat manfaat dari pemisahan sebelum adsorpsi, CIP mungkin lebih cocok. Uji metalurgi dan kendala lokasi praktik harus menjadi faktor penentu keputusan ini.

Mengapa konsumsi sianida terkadang melonjak secara tiba-tiba?

Penyebab umumnya termasuk perubahan mineral bijih, kontrol pH yang buruk, keterbatasan oksigen yang tidak terduga, atau kontaminasi dalam air proses. Rencana pengendalian yang baik ditambah titik pengambilan sampel yang andal membuat lonjakan ini lebih mudah didiagnosis dan diperbaiki dengan cepat.

Apa yang harus saya prioritaskan jika situs saya terpencil dan kekurangan staf?

Prioritaskan kemudahan pemeliharaan dan otomatisasi yang mengurangi penanganan manual: layar yang tahan lama, tata letak peralatan yang mudah diakses, suku cadang yang terstandarisasi, takaran yang saling bertautan, dan rutinitas pengoperasian yang jelas yang tidak bergantung pada “satu operator ahli”.


Penutup

PembelianPeralatan Sianidapada akhirnya adalah tentang mengurangi ketidakpastian. Sifat kimianya mungkin terbukti, namun profitabilitas Anda bergantung pada kontrol yang konsisten, pemeliharaan praktis, dan keselamatan yang bekerja dalam shift nyata dengan orang-orang nyata. Jika Anda merencanakan pembangunan pabrik baru atau meningkatkan sirkuit yang sudah ada, pertimbangkan realitas bijih, target produksi, dan kendala lokasi—dan mintalah proposal yang memperlakukan sianidasi sebagai sistem yang lengkap dan dapat dikendalikan.

Siap mengubah rencana sianidasi Anda menjadi operasi yang andal dan hemat biaya?Bagikan jenis bijih Anda, kapasitas target, dan kondisi lokasi, danHubungi kamiuntuk mendiskusikan konfigurasi peralatan praktis yang sesuai dengan pabrik dan operator Anda.

mengirimkan permintaan

X
Kami menggunakan cookie untuk menawarkan Anda pengalaman penelusuran yang lebih baik, menganalisis lalu lintas situs, dan mempersonalisasi konten. Dengan menggunakan situs ini, Anda menyetujui penggunaan cookie kami. Kebijakan Privasi