Apa Itu Sistem Elektrolit Desorpsi dan Mengapa Penting untuk Ekstraksi Emas Modern

2026-04-21 - Tinggalkan aku pesan

ItuSistem Elektrolit Desorpsiadalah teknologi penting dalam ekstraksi emas modern, khususnya dalam proses carbon-in-pulp (CIP) dan carbon-in-leach (CIL). Blog ini membahas cara kerja sistem, komponennya, kelebihannya, dan mengapa sistem ini menjadi standar dalam pemulihan emas yang efisien. Kami juga menyoroti bagaimana perusahaan menyukainyaEPIKmendorong inovasi di bidang ini. Pada akhirnya, Anda akan memiliki pemahaman komprehensif tentang bagaimana sistem ini meningkatkan produktivitas, mengurangi biaya, dan meningkatkan tingkat pemulihan.

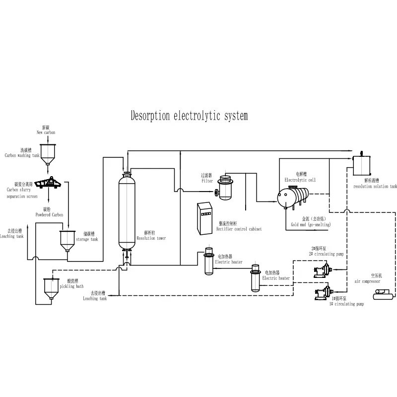
Desorption Electrolytic System

Daftar isi


Apa Itu Sistem Elektrolit Desorpsi

A Sistem Elektrolit Desorpsiadalah sistem pemulihan emas canggih yang digunakan untuk mengekstraksi emas dari karbon aktif. Hal ini diterapkan secara luas dalam operasi penambangan di mana emas diserap menjadi partikel karbon selama proses pelindian.

  • Desorpsi: Menghilangkan emas dari karbon menggunakan larutan bersuhu tinggi dan bertekanan tinggi
  • Elektrolisis: Memulihkan emas dari larutan ke katoda
  • Sistem loop tertutup: Memastikan efisiensi dan kerugian minimal

Sistem ini penting untuk meningkatkan efisiensi pemulihan dan mengurangi biaya operasional, menjadikannya komponen inti dalam pabrik pengolahan emas modern.


Bagaimana Cara Kerja Sistem Elektrolit Desorpsi

Prinsip kerja aSistem Elektrolit Desorpsimelibatkan dua tahap utama:

  1. Tahap Desorpsi:Karbon yang mengandung emas diolah dengan larutan alkali sianida panas, melepaskan ion emas.
  2. Tahap Elektrolisis:Larutan kaya emas melewati sel elektrolitik tempat emas disimpan ke katoda sabut baja.

Prosesnya memastikan efisiensi tinggi dan memungkinkan pengoperasian berkelanjutan, itulah sebabnya sistem dari perusahaan menyukainyaEPIKbanyak diadopsi dalam aplikasi industri.


Komponen Utama Sistem

Komponen Fungsi
Kolom Desorpsi Memegang karbon aktif dan memfasilitasi penghilangan emas
Sel Elektrolit Memulihkan emas melalui elektrolisis
Penukar Panas Mempertahankan suhu yang dibutuhkan
Sistem Penyaring Menghilangkan kotoran dari larutan
Sistem Pengendalian Mengotomatiskan operasi dan memonitor parameter

Setiap komponen memainkan peran penting dalam memastikan sistem beroperasi secara efisien dan konsisten.


Keunggulan dan Fitur Teknis

  • Tingkat pemulihan emas yang tinggi (hingga 98%)
  • Konsumsi energi rendah
  • Operasi otomatis untuk mengurangi biaya tenaga kerja
  • Desain ringkas untuk efisiensi ruang
  • Ramah lingkungan dengan emisi minimal

Produsen sepertiEPIKterus mengoptimalkan sistem ini untuk memenuhi tuntutan industri yang terus berkembang, memastikan kinerja dan keandalan yang lebih baik.


Aplikasi dalam Pengolahan Emas

ItuSistem Elektrolit Desorpsibanyak digunakan di:

  • Pabrik penambangan emas
  • Operasi CIP (Karbon-dalam-Pulp).
  • Proses CIL (Karbon-dalam-Leach).
  • Pemulihan tailing emas

Keserbagunaannya membuatnya cocok untuk pertambangan industri skala besar dan operasi kecil yang mencari peningkatan efisiensi.


Perbandingan dengan Metode Tradisional

Fitur Sistem Elektrolit Desorpsi Metode Tradisional
Efisiensi Tinggi Sedang
Otomatisasi Sepenuhnya otomatis Manual atau semi-otomatis
Biaya Menurunkan biaya jangka panjang Biaya operasional lebih tinggi
Dampak Lingkungan Rendah Lebih tinggi

Jelasnya, sistem modern memberikan keuntungan yang signifikan dibandingkan teknik perolehan emas tradisional.


Panduan Seleksi untuk Pembeli

Saat memilih aSistem Elektrolit Desorpsi, pertimbangkan faktor-faktor berikut:

  • Kapasitas pemrosesan
  • Tingkat otomatisasi
  • Efisiensi energi
  • Reputasi produsen (misalnya EPIC)
  • Dukungan purna jual

Memilih sistem yang tepat memastikan keberhasilan operasional jangka panjang dan laba atas investasi yang maksimal.


Tips Perawatan dan Pengoperasian

  • Periksa saluran pipa dan katup secara teratur
  • Pantau suhu dan tingkat tekanan
  • Bersihkan sel elektrolitik secara berkala
  • Segera ganti komponen yang aus
  • Ikuti pedoman pabrikan dengan ketat

Perawatan yang tepat secara signifikan memperpanjang umur sistem dan memastikan kinerja yang konsisten.


Pertanyaan Umum

1. Apa tujuan utama Sistem Elektrolit Desorpsi?

Tujuan utamanya adalah mengekstrak dan memulihkan emas dari karbon aktif secara efisien.

2. Seberapa efisienkah sistem tersebut?

Sebagian besar sistem mencapai tingkat pemulihan emas lebih dari 95%, tergantung pada kondisi pengoperasian.

3. Apakah sistemnya ramah lingkungan?

Ya, sistem modern dirancang untuk meminimalkan emisi dan mengurangi limbah kimia.

4. Apakah bisa disesuaikan?

Ya, perusahaan seperti EPIC menawarkan solusi yang dapat disesuaikan berdasarkan kebutuhan pemrosesan.

5. Industri apa saja yang menggunakan sistem ini?

Terutama dalam industri pertambangan emas, tetapi juga dalam aplikasi pemulihan logam mulia.


Kesimpulan

ItuSistem Elektrolit Desorpsimewakili terobosan dalam teknologi pemulihan emas, menawarkan efisiensi, keandalan, dan kinerja lingkungan yang tak tertandingi. Dengan kemajuan berkelanjutan dari para pemimpin industri sepertiEPIK, sistem ini menjadi semakin penting untuk operasi penambangan modern. Jika Anda ingin mengoptimalkan proses ekstraksi emas dan meningkatkan profitabilitas, berinvestasi pada sistem berkualitas tinggi adalah pilihan cerdas.Hubungi kamihari ini untuk mempelajari lebih lanjut tentang bagaimana kami dapat memberikan solusi yang disesuaikan dengan kebutuhan Anda.

mengirimkan permintaan

X
Kami menggunakan cookie untuk menawarkan Anda pengalaman penelusuran yang lebih baik, menganalisis lalu lintas situs, dan mempersonalisasi konten. Dengan menggunakan situs ini, Anda menyetujui penggunaan cookie kami. Kebijakan Privasi